PART7증폭회로(Transistor AMP)
목적
- 1.Amplifier Biasing의 특성에 대하여 알아본다.
- 2.Complementary AMP의 특성을 실험을 통하여 알아본다.
- 3.Common Emitter AMP의 특성을 실험을 통하여 알아본다.s
- 4.Darlington AMP의 특성을 실험을 통하여 알아본다.
실험 1 :Amplifier Biasing
이론
Common Emitter(에미터 공통)구성에서 트랜지스터의 전류이득은 β로 나타내며 다음과 같이 정의한다.

여기서 얻은 β의 바이어스 조건은 다음과 같다.
- 에미터-베이스 접합은 순방향 바이어스이다.
- 콜렉터-베이스 접합은 역방향 바이어스이다.
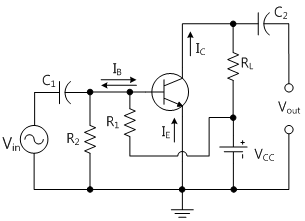
트랜지스터 증폭기는 dc 혹은 ac 전류나 전압을 증폭하는데 사용된다. 그림 7-2은 에미터가 접지된 ac 증폭기로 연결된 NPN 트랜지스터의 회로이다. R1과 R2는 베이스-에미터 회로를 순방향 바이어스하는 데 사용된다. Vcc는 콜렉터 전류와 베이스 바이어스 전압 분배기 R1과 R2를 위한 전원전압을 공급한다. 입력신호 Vin은 C1을 통해 베이스와 연결된다. 위에서 트랜지스터 특성에 관한 실험에서 베이스전류의 작은 증가가 상대적으로 큰 콜렉터전류의 증가를 가져온다는 사실을 알았다. 또한 베이스전류의 작은 감소로 상대적으로 큰 콜렉터전류의 감소를 야기시킨다. 그러므로 베이스와 콜렉터회로의 전류는 동 위상이다. 에미터 공통 회로에서 콜렉터전류의 조절 정도는 트랜지스터의 β에 의존한다.
바이어스 방법과 안정화
왜곡 없는 증폭을 하기 위해서 입력 신호를 트랜지스터 특성의 선형 영역에서 동작하도록 베이스는 적절하게 바이어스 되어져야 한다. 그렇지 않으면 출력은 차단 혹은 포화 영역에서 구동되어 왜곡된 출력이 된다. 즉, 트랜지스터를 바이어스하는 방법에 따라 주어진 입력 신호에 따른 출력 신호의 충실도가 결정된다.
실험 과정
1. M-07의 회로-1을 이용하여 그림 7-3(a)와 같이 회로를 구성한다. 단, AC Input은 가하지 않는다.
2. R2를 조절하여 IC=VR3/R3식에 의하여 IC 값이 1mA가 되도록 조절한다. 그리고 그림 7-3(a)에서 Ie를 측정하여 IB – Ie – IC식을 이용하여 IB 값을 표 7-1에 기록한다.
tab1실험 7-1.1 Amplifier Biasing 측정 (M-07의 Circuit-1에서 그림 7-3와 같이 회로를 구성한다.)
그림 7-3 회로 (a)
1.1. 결선방법(M-07의 Circuit-1)
1.회로 결선
Circuit-1의 1h 단자와 1j 단자간을 황색선으로 연결한다.
2.전원 결선
내부적으로 연결되어 있다.
3.계측기 결선
DC 증폭도 측정 전류계 결선
별도의 Digital Multimeter의 전류 측정 기능을 사용하여 측정한다.
Q1 베이스에 흐르는 전류(IB) 측정 : Circuit-1의 단자 Id와 전면패널 Multimeter의 High 단자 간을 적색선으로 연결하고 단자 1e와 Low 단자 간을 흑색선으로 연결한다.
DC 증폭도 측정 전압계 결선
R3 양단 전압(VR3) 측정 : Circuit-1의 단자 Id와 전면패널 Multimeter의 High 단자 간을 적색선으로 연결하고 단자 1e와 Low 단자 간을 흑색선으로 연결한다.
AC 증폭도 측정 전압계 결선
Input 전압 측정 : Circuit-1의 단자 1a와 전면패널 Signal Input CH A의 A+ 단자 간을 적색선으로 연결하고 단자 1b와 A- 단자 간을 흑색선으로 연결한다.
Output 전압 측정 : Circuit-1의 단자 1k와 전면패널 Signal Input CH B의 B+ 단자 간을 적색선으로 연결하고 단자 1l(1n)과 B- 단자 간을 흑색선으로 연결한다.
2.결선도
1) DC 증폭도 측정 결선도
2) AC 증폭도 측정 결선도
3.측정 방법
- 1DC 증폭도 측정
2. 결선도> 1) DC 증폭도 측정 결선과 같이 구성한다.
Touch LCD 패널의 좌측 메뉴에서 dmm 을 선택하고, 를 선택한다.
가변저항 R2를 조정하여 VR3가 4.7V가 되게 하고 별도의 Digital Multimeter가 지시하는 베이스 전류값(IB)을 표 7-1의 해당란에 기록한다.

- 2AC 증폭도 측정
2. 결선도> 2) AC 증폭도 측정 결선과 같이 구성한다.
3) 계측기 결선>전류계 결선>에서 Circuit-1의 1f 단자와 1o 단자 간 연결된 Digital Multimeter 측정 리드선을 제거하고 황색선으로 연결한다.
3) 계측기 결선>전압계 결선>R3 양단 전압(VR3) 측정을 위한 결선을 제거한다.
Signal Output에 BNC 케이블을 꼽고 적색 리드선을 1a 단자에, 흑색 리드선을 1b 단자에 연결한다.
전면 패널 좌측에 analog output 을 선택하고 Function Generator를 클릭한 다음 Amplitude Range를 , Amplitude를 amplitude 10, Frequency를 , Signal을 으로 설정하고 을 클릭하여 1kHz 20mVpp를 출력한다.

전면 패널에서 analog input 를 클릭하고 Oscilloscope 화면에서 입출력 파형이 나오도록 설정한다.

화면의 좌측 하단에 quick launch 를 클릭하고 Analog Output를 선택한 다음, 10% 의 를 클릭하여 출력전압을 증가시킨다. CH B의 신호 파형이 일그러짐이 없을 때까지 증가시킨 후 Oscilloscope의 파형을 작도하고 CH A의 입력전압과 CH B의 무왜 출력전압을 산출하여 표 7-1 해당란에 기록한다.



- 3IC가 1.25mA, 1.5mA, 1.75mA 일 경우의 직류 증폭도와 교류 증폭도를 측정한다.
위 측정방법에서 1)직류 증폭도 측정, 2) AC 증폭도 측정 방법을 수행하여 표 7-1 해당란에 기록한다.
단 1) 직류 증폭도 측정시 3) 계측기 결선>전류계 결선>과 3) 계측기 결선>전압계 결선>R3 양단 전압(VR3) 측정을 위한 결선을 해야 한다.IC = IC=VR3/R3식에 의하여 IC값이 1mA가 되도록 조절
위 식에서 VR3=IC R3 이므로 IC=1mA, R3 = 4.7kΩ, VR3= 4.7V 임
IC =1.25mA, R3 = 4.7kΩ 일 경우 VR3 = 5.87V
IC =1.5mA, R3 = 4.7kΩ 일 경우 VR3 = 7.05V
IC =1.75mA, R3 = 4.7kΩ 일 경우 VR3 = 8.225V


4.계산
1. DC 증폭도(ßdc)와 AC 증폭도(ßac)를 계산하여 표 7-1 해당란에 기록하시오.

2. 포화전류와 차단전압을 계산하여 부하선과 동작점(Q)을 작성하시오
포화전류
차단전압
동작점(Q)의 전류와 컬렉터-이미터간 전압을 그래프를 이용하여 구하시오.
그림 7-3 회로 (b)
1.결선방법(M-07의 Circuit-1)
1.회로 결선
Circuit-1의 1g 단자와 1i 단자 간, 1f 단자와 1o 단자 간을 황색선으로 연결한다.
2.전원 결선
내부적으로 연결되어 있다.
3.계측기 결선
DC 증폭도 측정 전압계 결선
별도의 Digital Multimeter의 전압 측정 기능을 사용하여 R3 양단 전압(VR3) 측정 : Circuit-1의 단자 1d에 Digital Multimeter의 적색선을 연결하고, 단자 1e에 흑색선을 연결한다.
R4 양단 전압(VR4) 측정 : Circuit-1의 단자 1h와 전면패널 Multimeter의 High 단자 간을 적색선으로 연결하고 단자 1i(1j, 1n)와 Low 단자 간을 흑색선으로 연결한다.
AC 증폭도 측정 전압계 결선
Input 전압 측정 : Circuit-1의 단자 1a와 전면패널 Signal Input CH A의 A+ 단자 간을 적색선으로 연결하고 단자 1b와 A- 단자 간을 흑색선으로 연결한다.
Output 전압 측정 : Circuit-1의 단자 1k와 전면패널 Signal Input CH B의 B+ 단자 간을 적색선으로 연결하고 단자 1l과 B- 단자 간을 흑색선으로 연결한다.
2.결선도
1) DC 증폭도 측정 결선도
2) AC 증폭도 측정 결선도
3.측정 방법
- 1DC 증폭도 측정
2. 결선도> 1) DC 증폭도 측정 결선과 같이 구성한다.
가변저항 R2를 조정하여 별도의 Digital Multimeter가 지시하는 VR3가 4.7V가 되게 하고 전면패널의 Multimeter의 지시값을 표 7-2의 해당란에 기록한다.
IC=VR3/R3식에 의하여 IC값이 1mA가 되도록 조절
위 식에서 VR3=IC R3이므로 IC=1mA, R3 = 4.7kΩ 일 경우 VR3 = 4.7V 임 - 2AC 증폭도 측정
2. 결선도> 2) AC 증폭도 측정 결선과 같이 구성한다.
전면 패널 좌측에 analog output 을 선택하고 Function Generator를 클릭한 다음 Amplitude Range를 , Amplitude를 amplitude 10 , Frequency를 , Signal을 으로 설정하고 을 클릭하여 1kHz 2Vpp를 출력한다.

전면 패널에서 analog input 를 클릭하고 Oscilloscope 화면에서 입출력 파형이 나오도록 설정한다.

화면의 좌측 하단에 quick launch 를 클릭하고 Analog Output를 선택한 다음10% 의 를 클릭하여 출력전압을 증가시킨다. CH B의 신호 파형이 일그러짐이 없을 때까지 증가시킨 후 Oscilloscope의 파형을 작도하고, Volt & Ampere Meter 탭을 클릭하여 CH A의 입력전압과 CH B의 무왜 출력전압을 표 7-2 해당란에 기록한다.


- 3IC가 1.1mA, 1.2mA, 1.3mA 일 경우의 직류 증폭도와 교류 증폭도를 측정한다.
위 측정방법에서 1)직류 증폭도 측정, 2) AC 증폭도 측정 방법을 수행하여 표 7-2 해당란에 기록한다.
IC=VR3/R3식에 의하여 IC값이 1mA가 되도록 조절
위 식에서 VR3=IC R3이므로 IC=1mA, R3 = 4.7kΩ 일 경우 VR3 = 4.7V 임
IC=1.1mA, R3 = 4.7kΩ 일 경우 VR3 = 5.17V
IC=1.2mA, R3 = 4.7kΩ 일 경우 VR3 = 5.64V
IC=1.3mA, R3 = 4.7kΩ 일 경우 VR3 = 6.11V
4.계산
1. DC 증폭도(βdc)와 AC 증폭도(βac)를 계산하여 표 7-2 해당란에 기록하시오.

2. 포화전류와 차단전압을 계산하여 부하선과 동작점(Q)을 작성하시오
포화전류

차단전압
동작점(Q)의 전류와 컬렉터-이미터간 전압을 그래프를 이용하여 구하시오.
그림 7-3 회로 (c)
1.결선방법(M-07의 Circuit-1)
1.회로 결선
Circuit-1의 1g 단자와 1i 단자 간, 1f 단자와 1o 단자 간을 황색선으로 연결한다.
2.전원 결선
내부적으로 연결되어 있다.
3.계측기 결선
DC 증폭도 측정 전압계 결선
별도의 Digital Multimeter의 전압 측정 기능을 사용하여 R3 양단 전압(VR3) 측정 : Circuit-1의 단자 1d에 Digital Multimeter의 적색선을 연결하고, 단자 1e에 흑색선을 연결한다.
R4 양단 전압(VR4)측정 : Circuit-1의 단자 1h와 전면패널 Multimeter의 High 단자 간을 적색선으로 연결하고 단자 1i(1j, 1n)와 Low 단자 간을 흑색선으로 연결한다.
AC 증폭도 측정 전압계 결선
Input 전압 측정 : Circuit-1의 단자 1a와 전면패널 Signal Input CH A의 A+ 단자 간을 적색선으로 연결하고 단자 1b와 A- 단자 간을 흑색선으로 연결한다.
Output 전압 측정 : Circuit-1의 단자 1k와 전면패널 Signal Input CH B의 B+ 단자 간을 적색선으로 연결하고 단자 1l과 B- 단자 간을 흑색선으로 연결한다.
2.결선도
1) DC 증폭도 측정 결선도
2) AC 증폭도 측정 결선도
3.측정 방법
- 1DC 증폭도 측정
2. 결선도> 1) DC 증폭도 측정 결선과 같이 구성한다.
가변저항 R2를 조정하여 별도의 Digital Multimeter가 지시하는 VR3가 4.7V가 되게 하고 전면패널의 Multimeter의 지시값을 표 7-2의 해당란에 기록한다.
IC=VR3/R3식에 의하여 IC값이 1mA가 되도록 조절 위 식에서 VR3=IC R3이므로 IC=1mA, R3 = 4.7kΩ 일 경우 VR3 = 4.7V 임
- 2AC 증폭도 측정
2. 결선도> 2) AC 증폭도 측정 결선과 같이 구성한다.
전면 패널 좌측에 analog output 을 선택하고 Function Generator를 클릭한 다음 Amplitude Range를 , Amplitude를 amplitude 10, Frequency를 , Signal을 으로 설정하고 을 클릭하여 1kHz 2Vpp를 출력한다.

전면 패널에서 analog input 를 클릭하고 Oscilloscope 화면에서 입출력 파형이 나오도록 설정한다.

화면의 좌측 하단에 quick launch 를 클릭하고 Analog Output를 선택한 다음, 10%의 를 클릭하여 출력전압을 증가시킨다. CH B의 신호 파형이 일그러짐이 없을 때까지 증가시킨 후 Oscilloscope의 파형을 작도하고, Volt & Ampere Meter 탭을 클릭하여 CH A의 입력전압과 CH B의 무왜 출력전압을 표 7-2 해당란에 기록한다.


- 3IC가 1.1mA, 1.2mA, 1.3mA 일 경우의 직류 증폭도와 교류 증폭도를 측정한다.
위 측정방법에서 1)직류 증폭도 측정, 2) AC 증폭도 측정 방법을 수행하여 표 7-2 해당란에 기록한다.
IC=VR3/R3식에 의하여 IC값이 1mA가 되도록 조절
위 식에서 VR3=IC R3이므로 IC =1mA, R3 = 4.7kΩ 일 경우 VR3 = 4.7V 임
IC=1.1mA, R3 = 4.7kΩ 일 경우 VR3 = 5.17V
IC1.2mA, R3 = 4.7kΩ 일 경우 VR3 = 5.64V
IC=1.3mA, R3 = 4.7kΩ 일 경우 VR3 = 6.11V
4.계산
1. DC 증폭도(ßdc)와 AC 증폭도(ßac)를 계산하여 표 7-2 해당란에 기록하시오.

2. 포화전류와 차단전압을 계산하여 부하선과 동작점(Q)을 작성하시오.
포화전류

차단전압
동작점(Q)의 전류와 컬렉터-이미터간 전압을 그래프를 이용하여 구하시오.
실험 결과 보고서
1. 실험 결과표
1) DC 증폭도(βdc)와 AC 증폭도(βac)를 계산.

2) 입출력 파형 작도하시오.

1) DC 증폭도(ßdc)와 AC 증폭도(ßac)를 계산

2) Ie=Ve/R4, IB=Ie-IC 식을 이용하여 IB값을 계산.
3) 입출력 파형 작도하시오.

1) Ie = Ve / R4, IB = Ie - IC식을 이용하여 IB값을 계산.

2) DC 증폭도(ßdc)와 AC 증폭도(ßac)를 계산
3) 입출력 파형 작도하시오.

2. 검토 및 정리
회로 7-2(a)
1) 포화전류와 차단전압을 계산하여 부하선과 동작점(Q)을 작성하시오.
포화전류
차단전압
동작점(Q)의 전류와 컬렉터-이미터간 전압을 그래프를 이용하여 구하시오.

회로 7-2(b)
1) DC 증폭도(βdc)와 AC 증폭도(βac)를 계산.

2) 포화전류와 차단전압을 계산하여 부하선과 동작점(Q)을 작성하시오.
포화전류

차단전압
동작점(Q)의 전류와 컬렉터-이미터간 전압을 그래프를 이용하여 구하시오.

3. 실험 결과에 대해 토의한다.
1) 그림 7-2 (a)~(c) 회로의 특성을 비교하시오. 단, 다음에 중점을 두어 토의하시오.
- (a) 회로 : AC 및 DC에 대한 증폭도는 높으나 Noise에 약하다.
- (b) 회로 : AC 및 DC에 대한 증폭도는 낮아지나 Noise에 강하다.
- (c) 회로 : DC에 대한 증폭도는 낮으나 AC에 대한 증폭도는 높으며 Noise에 강하다.











