PART1DC 회로
실험 4 : 휘스톤 브리지(Wheatstone Bridge) 회로
이론
브리지 회로는 R, L, C 또는 주파수 등의 측정에 널리 사용된다. 그림 1-12에서 브리지 회로를 보여주고 있다. 각 arm이 순저항인 직류 휘스톤 브리지에서는 검출기로 검류계가 많이 쓰인다. D에 흐르는 전류가 "0"이 되었을 때 브리지는 평형(balance)되었다고 말한다. 평형 상태가 되었을 때에는 D양단의 전위차는 “0”이 되고 그림 1-12의 b점과 c점 사이에는 전류가 흐르지 않는다. 접속점 a에서 b까지의 전압강하는 a에서 c까지의 전압강하와 크기와 위상에 있어서 모두 같아야 한다. 즉, 다음 조건을 만족한다.

이 두 식으로부터 각 임피던스 사이의 관계를 다음과 같이 얻을 수 있다.

이것이 브리지의 평형 조건(condition of balance)이다. 만약, D에서 전류가 검출된다면(Unbalancing), 이것은 외부의 힘(환경)이 회로에 가해졌음을 의미하며 이러한 기능은 감지 회로에 응용된다.
실험 과정
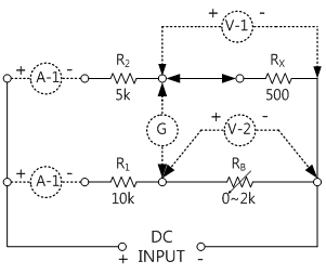
1. M-01의 회로-5에서 5n-5p를 단락시키고, 5f-5g, 5p-5r 양단에 전류계를 연결하고, 5h-5l, 5c-5p 양단에 전압계를 그림 1-13과 같이 연결한다.
2. 검류계를 Ga 표시부분에 연결하고 스위치를 일단 OFF시켜 안전저항이 연결되게 한 후 DC input에 10V를 연결한다.(검류계를 연결시키기 전에 먼저 Meter의 0점이 제대로 조정되었는가 확인한다.)
3. 검류계의 지시가 "0"이 되도록 정밀 조정한다. 즉 balance 상태가 되도록 한다. (이때, "GAIN"은 시계방향으로 최대가 되도록 한다.) 그리고 전류와 전압을 측정하여 표 1-5 실험-1의 각 해당란에 기록한다.
4. (+)-(-)에 연결된 전원과 5i-5o'에 연결된 Galvano Meter를 제거하고, 저항계로 RB(5n-5q)값을 측정하여 표 1-5 실험-1에 기록한다.
5. Rx값을 계산하여 표 1-5 실험-1에 기록한다.
6. 과정 4에서 제거한 전원과 Galvano Meter를 다시 연결한다.
7. 여기서 다시, 전류계 A-1을 5f-5g 양단에 연결하여 과정 3~5를 반복하고, 표 1-5 실험-2의 각 해당란에 기록한다.
tab1실험 1-4.1 직류 휘트스톤 브리지 (실험 M-01의 Circuit-5에서 그림 1-13와 같이 회로를 구성한다.)
1.결선 방법
1.회로결선
M01 보드의 Circuit-5에서 단자 5f와 5g, 단자 5p와 5r을 황색선으로 연결한다.
2.전원 결선
M01 보드의 좌측 Variable Power의 V1 단자와 Circuit-5의 (+)(0~10V) 단자 간을 적색선으로 연결하고, com 단자와 (-)(0~10V) 단자 간을 흑색선으로 결선한다.
3.검류계 결선
Circuit-5의 5i 단자를 검류계 Circuit-4의 4c 단자에 적색선으로 연결하고, Circuit-5의 5o 단자를 Circuit-4의 4d 단자에 흑색선으로 연결한다.
4.전압계 결선
V-1 결선
전면 패널의 Signal Input A+ 단자와 Circuit-5의 5h 단자 간을 적색선으로 연결하고, A- 단자와 5l 단자 간을 흑색선으로 연결한다.
V-2 결선
전면 패널의 Signal Input B+ 단자와 Circuit-5의 5q 단자 간을 적색선으로 연결하고, B- 단자와 5l 단자 간을 흑색선으로 연결한다.
2.결선도
전압측정
A-1 전류측정
A-2 전류측정
3.측정방법
- 1Touch LCD 패널에서 좌측 메뉴에서variable power를 선택한다.
- 23 CH DC 탭을 선택하고, DC Voltage V1에서 를 클릭하여 10V를 설정한 후 을 클릭하면 V1에서 DC 10V의 출력이 회로에 입력된다.
- [검류계 측정]
3 Circuit-5의 BALANCE ADJ.를 조정하여 Circuit-4의 검류계가 0을 지시하도록 조정한다. - [전압측정]
4 Touch LCD 패널의 좌측 메뉴에서 signal input을 선택하고, Volt & Ampere Meter 탭을 선택한 다음 CH A, CH B에서 각각 , , 를 클릭한다.CH A, CH B에 표시된 측정값을 표 1-5의 그림 1-13(R2 연결시) 란에 기록한다. 이때 CH A는 전압 V-1, CH B는 전압 V-2이다.
- [전류측정]
5 A-1 전류 측정M01 보드의 Circuit-5에서 단자 5f와 5g의 연결선을 제거한다.
별도의 Digital Multimeter의 전류 측정단자(mA)와 5f 단자 간을 연결하고, Com 단자와 5g 단자 간을 흑색선으로 연결한다.
별도의 Digital Multimeter에서 측정된 전류값(A-1)을 표 1-5의 그림 1-13(R2 연결시) 란에 기록한다.
- 6A-2 전류 측정
다시 단자 5f와 5g를 황색선으로 연결하고, 단자 5p와 5r에 연결된 황색선을 제거한다.
별도의 Digital Multimeter의 전류 측정단자(mA)와 5p 단자 간을 연결하고, Com 단자와 5r 단자 간을 흑색선으로 연결한다.
별도의 Digital Multimeter에서 측정된 전류값(A-2)을 표 1-5의 그림 1-13(R2 연결시) 란에 기록한다.
- [저항 측정]
7 Circuit-5의 (+)-(-)에 연결된 전원과 단자 5i와 5o에 연결된 Galvanometer를 제거한다. - 8ouch LCD 패널의 좌측 메뉴에서dmm 을 선택하고, 클릭한다..
전면 패널의 Multimeter의 High 단자와 Circuit-5의 5q 단자 간을 적색선으로 연결하고, Low 단자와 Circuit-5의 5n 단자 간을 흑색선으로 연결하여 창에 표시된 측정값을 표 1-5의 그림 1-13(R2 연결시) 란에 Rb 값에 기록한다.(Rb=R6 측정)
- 9저항 R2 대신 R3로, R4 단자 5k와 5m을 연결하여 회로를 구성하고, 측정방법 1)~8)을 반복하고, 그 결과를 표 1-5의 그림 1-13(R3 연결시) 란에 각각 기록한다.
4.계산
1. Rx(R6)를 계산식에 의하여 계산값을 표 1-5의 그림 1-13(R2 연결시), 그림 1-12(R3 연결시) 란에 기입하고, 측정값과 비교한다.
(R2 연결시) 계산식
(R5=Rx)
(R3 연결시) 계산식
(R4=Rx)
실험 과정
1. M-01의 회로-5에서 Function Generator를 Sine파 1000Hz로 출력이 약 10Vp-p가 되게 한 다음 (+)-(-) 단자에 직류 대신 연결한다. 그리고 5e-5g, 5f-5g, 5p-5r 양단을 단락시켜 그림 1-14와 같이 회로를 구성한다.
2. 검류계 대신 이어폰을 연결시킨다. 그리고 소리가 들리지 않도록 RB를 조정한다. 즉 balance 상태가 되도록 한다.
3. 각 전압값을 측정하여 표 1-6 실험-1에 기록한다.
4. 5f-5m 양단을 개방시키고 5f-5g 양단을 단락시킨 후 전압값을 표 1-6 실험-2에 기록한다.
tab2실험 1-4.2 교류 휘트스톤 브리지 (실험 M-01의 Circuit-5에서 그림 1-14과 같이 회로를 구성한다.)
1.결선 방법
1.회로결선
M01 보드의 Circuit-5에서 단자 5f와 5g, 단자 5e와 5g, 단자 5p와 5r을 황색선으로 연결한다.
2.함수발생기(Function Gnerator) 결선
전면 패널의 Signal Output의 A+ 단자와 Circuit-5의 (+)(0~10V) 단자 간을 적색선으로 연결하고, A- 단자와 (-)(0~10V) 단자 간을 흑색선으로 연결한다.
3.전압계 결선
Va 결선
전면 패널의 Signal Input CH A의 A+ 단자와 Circuit-5의 5b 단자 간을 적색선으로 연결하고, A- 단자와 5f 단자 간을 흑색선으로 연결한다.
Vb 결선
전면 패널의 Signal Input CH B의 B+ 단자와 Circuit-5의 5h단자 간을 적색선으로 연결하고, B- 단자와 Circuit-5의 5l단자 간을 흑색선으로 연결한다.
Vc 결선
전면 패널의 Signal Input CH A의 A+ 단자와 Circuit-5의 5c 단자 간을 적색선으로 연결하고, A- 단자와 5p 단자 간을 흑색선으로 연결한다.
Vd 결선
전면 패널의 Signal Input CH B의 B+ 단자와 Circuit-5의 5q 단자 간을 적색선으로 연결하고, B- 단자와 5n 단자 간을 흑색선으로 결선한다.
2.결선도
Va 결선 및 Vb 결선
Vc 결선 및 Vd 결선
3.측정방법
- 1ouch LCD 패널에서 좌측 메뉴에서analog output를 선택한다.

- 2Function Generator 탭을 선택하고, Amplitude Range에서 를 클릭하여 10Vp-p를 설정하고, Frequency에서 를 클릭하여 1,000Hz(1kHz)를 설정한다.
을 클릭하면 전면 패널 Signal Output 단자에서 10Vp-p 1kHz의 출력이 나온다.
- 3단자 5i와 5o에 이어폰을 연결하고, 소리가 들리지 않도록 Rb를 조절한다. (Balance 상태가 되도록 한다)
- 4결선 방법>전압계 결선에서 <Va>, <Vb>와 같이 한 후, Touch LCD 패널의 좌측 메뉴에서 analog_input을 선택하고, Volt & Ampere Meter 탭을 선택한 다음 CH A, CH B 각각에 , 및 를 클릭한다.
CH A, CH B에 표시된 측정값을 표 1-6의 그림 1-14(R2 연결시) 란에 기록한다. 이때 CH A는 전압 Va, CH B는 전압 Vb이다.
- 5결선 방법>전압계 결선 <Vc>, <Vd>와 같이 한 후, CH A, CH B에 표시된 측정값을 표 1-6의 그림 1-14(R2 연결시) 란에 기록한다. 이때 CH A는 전압 Vc, CH B는 전압 Vd이다.
- 6R2 대신 R3, R4 단자 5k와 5m을 연결하는 회로를 구성하고 측정방법 3)~6)을 반복하고, 그 결과를 표1-6의 그림 1-14(R3 연결시) 란에 기록한다.
실험 결과 보고서
1. 실험 결과표
2. 검토 및 정리
1) 1-5에서 Rx(R6)를 계산식에 의하여 계산하여 표에 기록하고 측정값과 비교한다.
(R2 연결시) 계산식
(R5=Rx)
(R3 연결시) 계산식
(R4=Rx)





